Login
EuropaOwners A-265 - (XS-FUN) - N4211W / Wayne Gutschow+Ron Parigoris Other builders and fly-ins. Jan De Jongs build. Drawings. monteq3
Advanced Search

Drawings.

1. FuelLevel ... 4. latchwithauto 5. mainarteries 6. mainarteries 7. monteq3 8. monteq3 9. monteq4 10. monteq4

Random Images

Center_of_panel_Y9_06_07

Center_of_panel_Y9_06_07

Date: 06/07/2009 Views: 5774

ThrottleHousingII02

ThrottleHousingII02

Date: 03/01/2004 Views: 4690

IMG_8084Ann

IMG_8084Ann

Date: 07/06/2008 Views: 5944

Newest Image

EAA SITE

EAA SITE

Date: 08/23/2023 Views: 821003

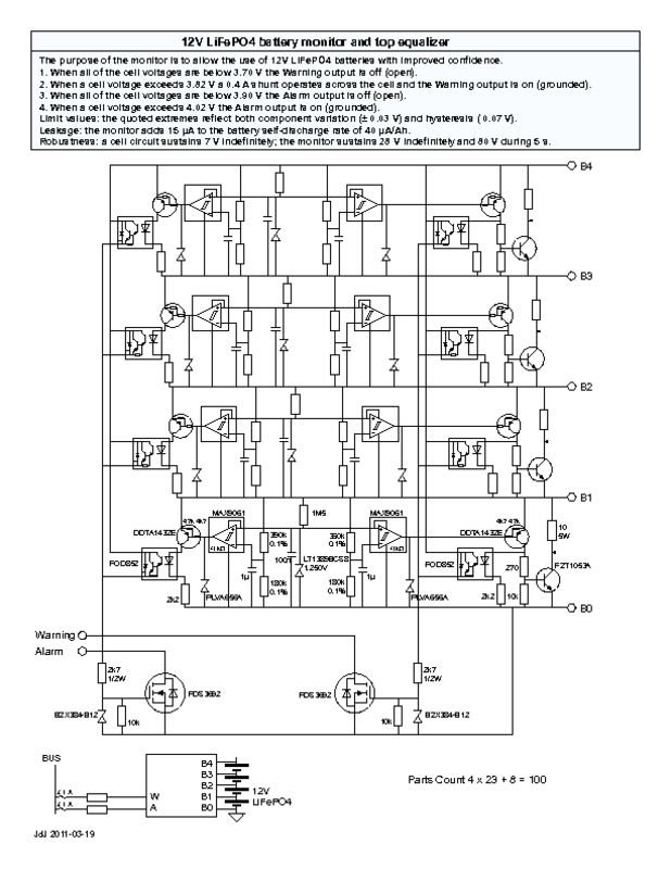
monteq3

Date: 08/14/2011
Size:
Full size: 612x792
nextlast
first previous
monteq3
Download document in original format
nextlast
first previous
Powered by Gallery v2.3