Login
EuropaOwners A-265 - (XS-FUN) - N4211W / Wayne Gutschow+Ron Parigoris Other builders and fly-ins. Jan De Jongs build. Drawings. monteq3
Advanced Search

Drawings.

1. FuelLevel ... 4. latchwithauto 5. mainarteries 6. mainarteries 7. monteq3 8. monteq3 9. monteq4 10. monteq4

Random Images

Bud 1

Bud 1

Date: 01/06/2010 Views: 6455

Running and connecting "Fat" wires 9.

Running and connecting "Fat" wires 9.

Date: 01/05/2011 Views: 8153

P1001029

P1001029

Date: 10/31/2008 Views: 9567

Newest Image

EAA SITE

EAA SITE

Date: 08/23/2023 Views: 812430

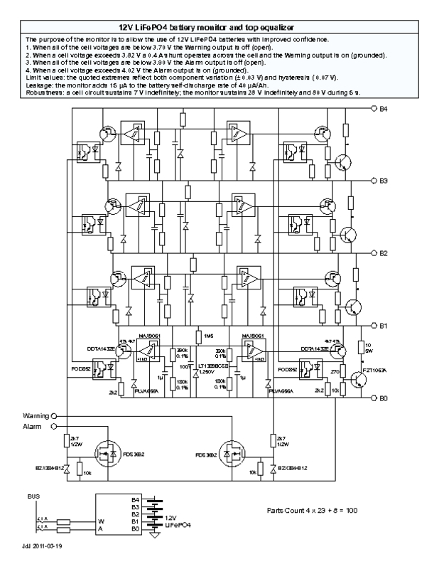
monteq3

Date: 08/14/2011
Size:
Full size: 612x792
nextlast
first previous
monteq3
Download document in original format
nextlast
first previous
Powered by Gallery v2.3