Login
EuropaOwners A-265 - (XS-FUN) - N4211W / Wayne Gutschow+Ron Parigoris Other builders and fly-ins. Jan De Jongs build. Drawings. monteq3
Advanced Search

Drawings.

1. FuelLevel ... 4. latchwithauto 5. mainarteries 6. mainarteries 7. monteq3 8. monteq3 9. monteq4 10. monteq4

Random Images

StbdWingtipMount02

StbdWingtipMount02

Date: 08/11/2003 Views: 5586

IMG_0941Ann

IMG_0941Ann

Date: 07/29/2007 Views: 5192

20160403_160502.jpg

20160403_160502.jpg

Date: 04/03/2016 Views: 24877

Newest Image

EAA SITE

EAA SITE

Date: 08/23/2023 Views: 815768

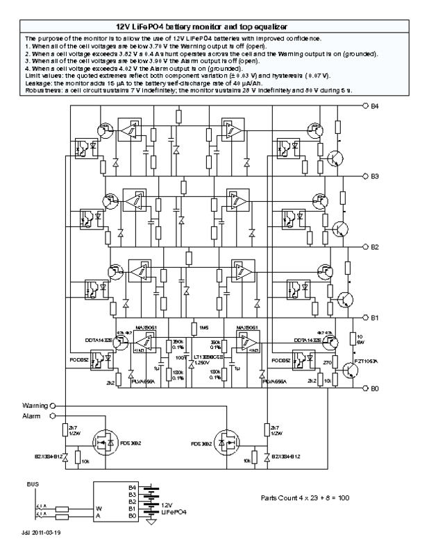
monteq3

Date: 08/14/2011
Size:
Full size: 612x792
nextlast
first previous
monteq3
Download document in original format
nextlast
first previous
Powered by Gallery v2.3