Login
EuropaOwners A-265 - (XS-FUN) - N4211W / Wayne Gutschow+Ron Parigoris Other builders and fly-ins. Jan De Jongs build. Drawings. monteq3
Advanced Search

Drawings.

1. FuelLevel ... 4. latchwithauto 5. mainarteries 6. mainarteries 7. monteq3 8. monteq3 9. monteq4 10. monteq4

Random Images

HR3

HR3

Date: 12/09/2008 Views: 8984

DSCN6129

DSCN6129

Date: 10/11/2009 Views: 5715

IMG_2517

IMG_2517

Date: 02/28/2012 Views: 5936

Newest Image

EAA SITE

EAA SITE

Date: 08/23/2023 Views: 815836

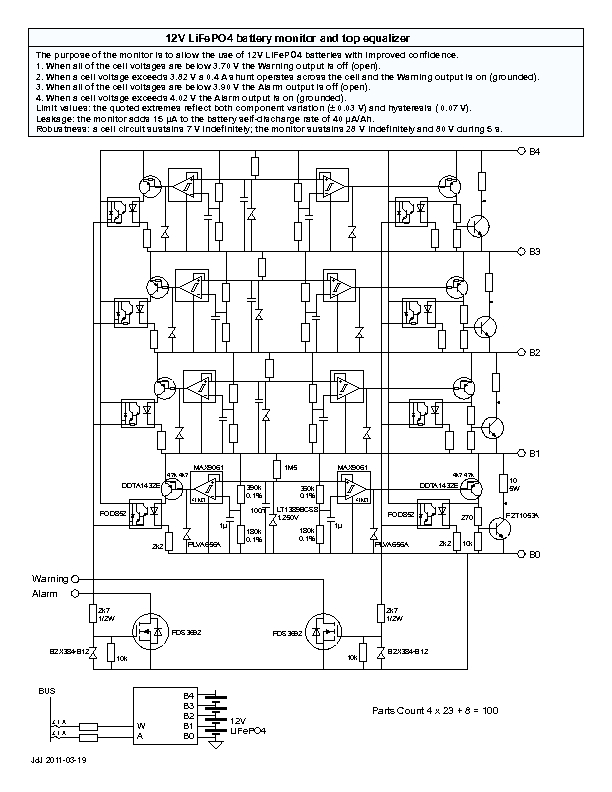
monteq3

Date: 08/14/2011
Size:
Full size: 612x792
nextlast
first previous
monteq3
Download document in original format
nextlast
first previous
Powered by Gallery v2.3