Login
EuropaOwners A-265 - (XS-FUN) - N4211W / Wayne Gutschow+Ron Parigoris Other builders and fly-ins. Jan De Jongs build. Drawings. monteq4
Advanced Search

Drawings.

1. FuelLevel ... 4. latchwithauto 5. mainarteries 6. mainarteries 7. monteq3 8. monteq3 9. monteq4 10. monteq4

Random Images

IMG_0009

IMG_0009

Date: 04/13/2007 Views: 5681

IMG_8085Ann

IMG_8085Ann

Date: 07/08/2008 Views: 5746

Landing_Gear_11

Landing_Gear_11

Date: 01/23/2006 Views: 6263

Newest Image

EAA SITE

EAA SITE

Date: 08/23/2023 Views: 821477

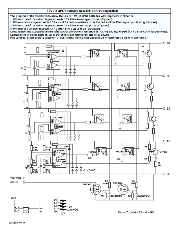
monteq4

Date: 08/14/2011
Size:
Full size: 612x792
first previous
monteq4
Download document in original format
first previous
Powered by Gallery v2.3