Login
EuropaOwners A-265 - (XS-FUN) - N4211W / Wayne Gutschow+Ron Parigoris Other builders and fly-ins. Jan De Jongs build. Drawings. monteq3
Advanced Search

Drawings.

1. FuelLevel ... 4. latchwithauto 5. mainarteries 6. mainarteries 7. monteq3 8. monteq3 9. monteq4 10. monteq4

Random Images

CH18_11

CH18_11

Date: 12/31/1969 Views: 5029

DSCN8344

DSCN8344

Date: 09/19/2010 Views: 7967

G_IVER

G_IVER

Date: 05/04/2009 Views: 4138

Newest Image

EAA SITE

EAA SITE

Date: 08/23/2023 Views: 809663

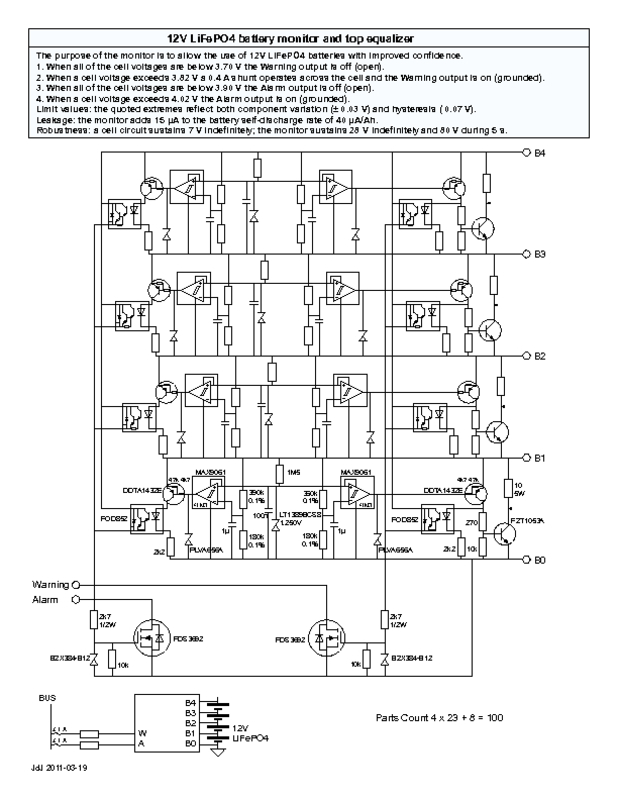
monteq3

Date: 08/14/2011
Size:
Full size: 612x792
nextlast
first previous
monteq3
Download document in original format
nextlast
first previous
Powered by Gallery v2.3