Login
EuropaOwners A-265 - (XS-FUN) - N4211W / Wayne Gutschow+Ron Parigoris Other builders and fly-ins. Jan De Jongs build. Drawings. monteq4
Advanced Search

Drawings.

1. FuelLevel ... 4. latchwithauto 5. mainarteries 6. mainarteries 7. monteq3 8. monteq3 9. monteq4 10. monteq4

Random Images

IMG_1207

IMG_1207

Date: 11/07/2009 Views: 8233

30_09_07_4

30_09_07_4

Date: 09/30/2007 Views: 4726

Vertex_ant_1

Vertex_ant_1

Date: 03/22/2009 Views: 6948

Newest Image

EAA SITE

EAA SITE

Date: 08/23/2023 Views: 809619

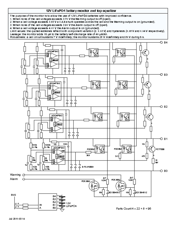
monteq4

Date: 08/14/2011
Size:
Full size: 612x792
first previous
monteq4
Download document in original format
first previous
Powered by Gallery v2.3