Login
EuropaOwners A-265 - (XS-FUN) - N4211W / Wayne Gutschow+Ron Parigoris Other builders and fly-ins. Jan De Jongs build. Drawings. monteq3
Advanced Search

Drawings.

1. FuelLevel ... 4. latchwithauto 5. mainarteries 6. mainarteries 7. monteq3 8. monteq3 9. monteq4 10. monteq4

Random Images

final and touchdown

final and touchdown

Date: 05/02/2014 Views: 9173

DSCF0030_002

DSCF0030_002

Date: 10/26/2009 Views: 8266

Starboard upper aft seal fitting nicely. Y9-11-27

Starboard upper aft seal fitting nicely. Y9-11-27

Date: 11/16/2009 Views: 5803

Newest Image

EAA SITE

EAA SITE

Date: 08/23/2023 Views: 817083

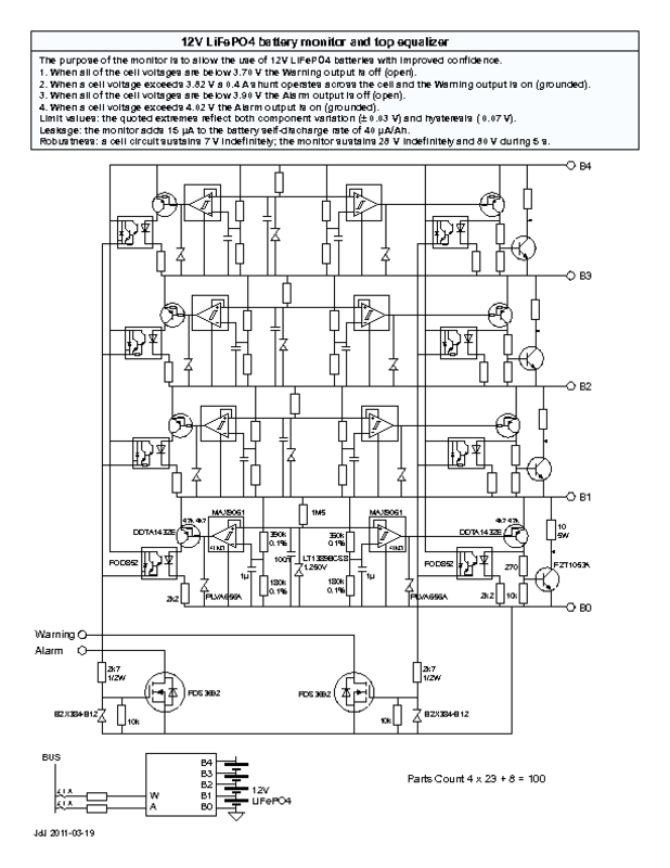
monteq3

Date: 08/14/2011
Size:
Full size: 612x792
nextlast
first previous
monteq3
Download document in original format
nextlast
first previous
Powered by Gallery v2.3