Login
EuropaOwners A-265 - (XS-FUN) - N4211W / Wayne Gutschow+Ron Parigoris Other builders and fly-ins. Jan De Jongs build. Drawings. monteq4
Advanced Search

Drawings.

1. FuelLevel ... 4. latchwithauto 5. mainarteries 6. mainarteries 7. monteq3 8. monteq3 9. monteq4 10. monteq4

Random Images

Drill jig and plywood insert

Drill jig and plywood insert

Date: 11/27/2013 Views: 7981

TailplaneFit02

TailplaneFit02

Date: 01/21/2004 Views: 5664

110_1058_IMG

110_1058_IMG

Date: 03/04/2004 Views: 7999

Newest Image

EAA SITE

EAA SITE

Date: 08/23/2023 Views: 817083

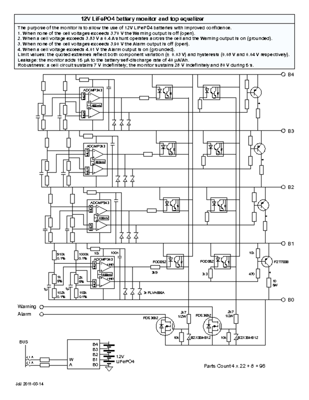
monteq4

Date: 08/14/2011
Size:
Full size: 612x792
first previous
monteq4
Download document in original format
first previous
Powered by Gallery v2.3